GL20产品介绍
注:所列参数均为典型产品规格,仅供选型参考.如有更新,恕不另行通知。需要更多技术支持,请与国力联系。
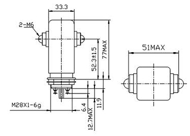
规格说明
* 按照上面的型号命名订购继电器。表示为保持型继电器的“L”标记和线圈电压未出现在产品的型号标记中而表示在基座中的标记中。

线 圈 参 数
| 标称电压Vdc |
24
|
26.5
|
| 最大吸合电压Vdc |
16
|
16
|
| 释放电压Vdc |
1-10
|
1-10
|
| 线圈电阻(Ω±10%) |
120
|
120
|
产品参数表
| 继电器额定参数 |
单位
|
GL20
|
GL20
|
| 触点代号 |
|
A
|
B
|
| 触点形式 |
|
SPST-NO
|
SPST-NC
|
| 最大测试电压(漏电流不超15μA,直流或60Hz) |
KV Peak
|
30
|
28
|
| 最大工作电压,触点对基座(漏电流不超过15μA) |
直流或60Hz
|
KV Peak
|
28
|
25
|
2.5MHz
|
Kv Peak
|
22
|
22
|
16MHz
|
KV Peak
|
12
|
10
|
32MHz
|
KV Peak
|
10
|
9
|
| 最大连续负载电流 |
直流或60Hz
|
Amps
|
110
|
55
|
2.5MHz
|
Amps
|
60
|
30
|
16MHz
|
Amps
|
40
|
20
|
32MHz
|
Amps
|
30
|
15
|
| 线圈击穿电压(60Hz,交流有效值) |
V
|
500
|
500
|
| 触点电容 |
开触点间
|
pF
|
2.5
|
2.5
|
触点对地
|
pF
|
2.5
|
2.5
|
| 最大接触电阻(1A,28Vdc) |
ohms
|
0.005
|
0.01
|
| 最大工作时间 |
ms
|
18
|
18
|
| 最大释放时间 |
ms
|
10
|
20
|
| 机械寿命 |
Cycles
|
2百万
|
2百万
|
| 标称重量 |
g
|
330
|
330
|
| 振动频率(正弦,55~500 Hz, 峰值) |
G's
|
10
|
10
|
| 冲击级别(11ms,半正弦波,峰值) |
G's
|
30
|
30
|
| 工作环境温度范围 |
℃
|
-55 ~ +125
|
-55 ~ +125
|
|