阳极参数
峰值正向阳极电压: 35kV max [1]
峰值反向阳极电压: 35kV max [2]
峰值正向阳极电流: 3kA
平均阳极电流: 2Amax
阳极电流上升速率: 10kA/μs [3] [4]
工作频率: 400 pps
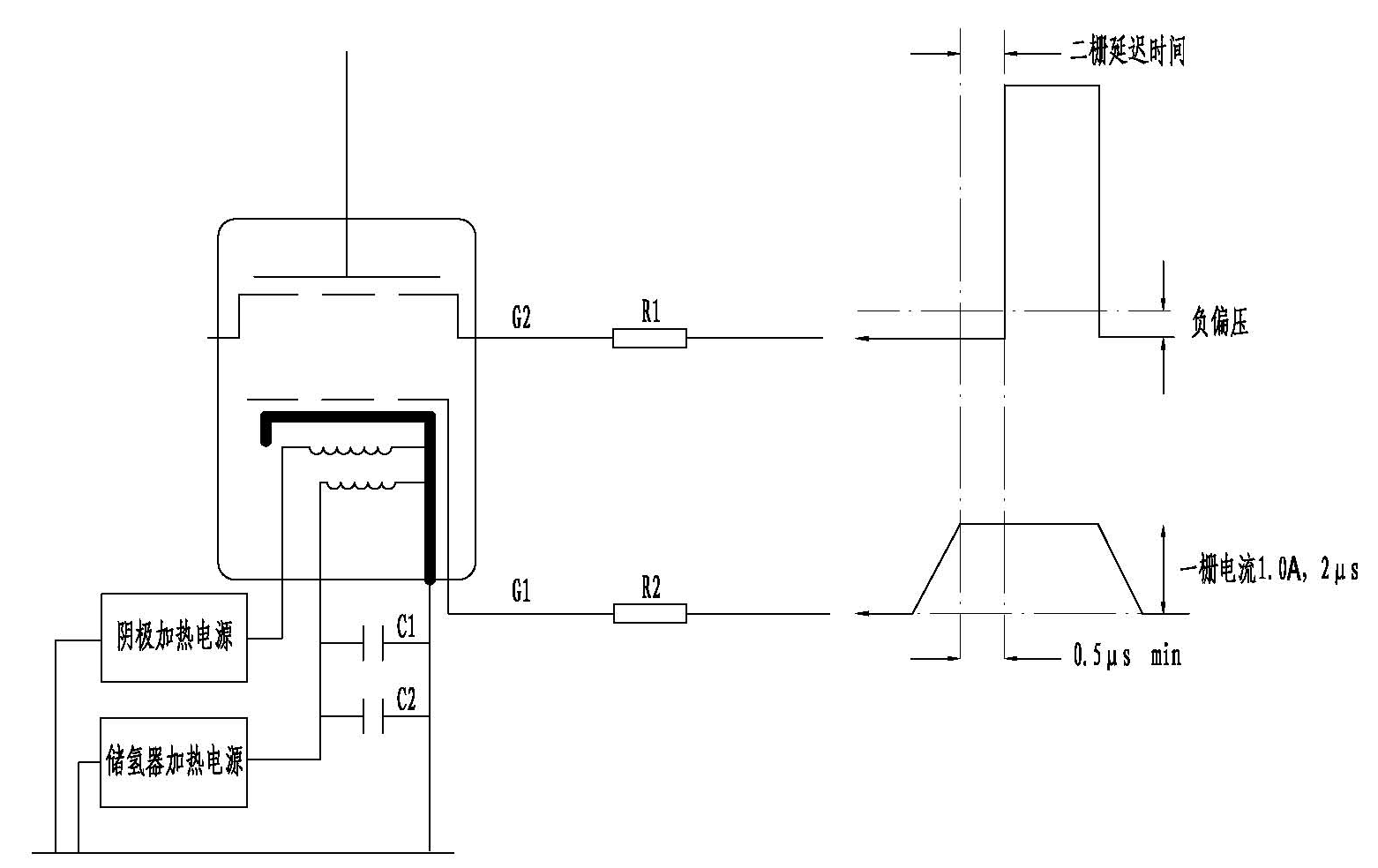
第二栅极参数
空载脉冲电压: 500V~2000V [5]
栅极回路阻抗: 50Ω~ 500Ω
脉冲上升速率: 10kV/μs min [3]
脉冲宽度: 0.5 μs min
负偏压: 0 V~ 150 V
脉冲延迟时间: 0.5μs ~ 3μs
峰值反向电压: 450V max
第一栅极脉冲参数
空载脉冲电压: 300V ~ 1000V [5]
驱动电流: 1A~5A[6]
脉冲宽度: 2us min
脉冲上升速率: 1kV/us min [3]
峰值反向电压: 450V max
第一栅极直流参数
空载直流电压: 75V~ 150V
直流电流: 75mA ~ 150 mA
电气参数
阴极加热电压: 6.3±5%V
阴极加热电流(6.3V): 20A~25A
储氢器加热电压: 5.5±0.5V [7]
储氢器加热电流(5.5V): 7A~8A
预热时间: 15分钟 min
阳极与二栅间电容量: 15pF~20pF
机械参数
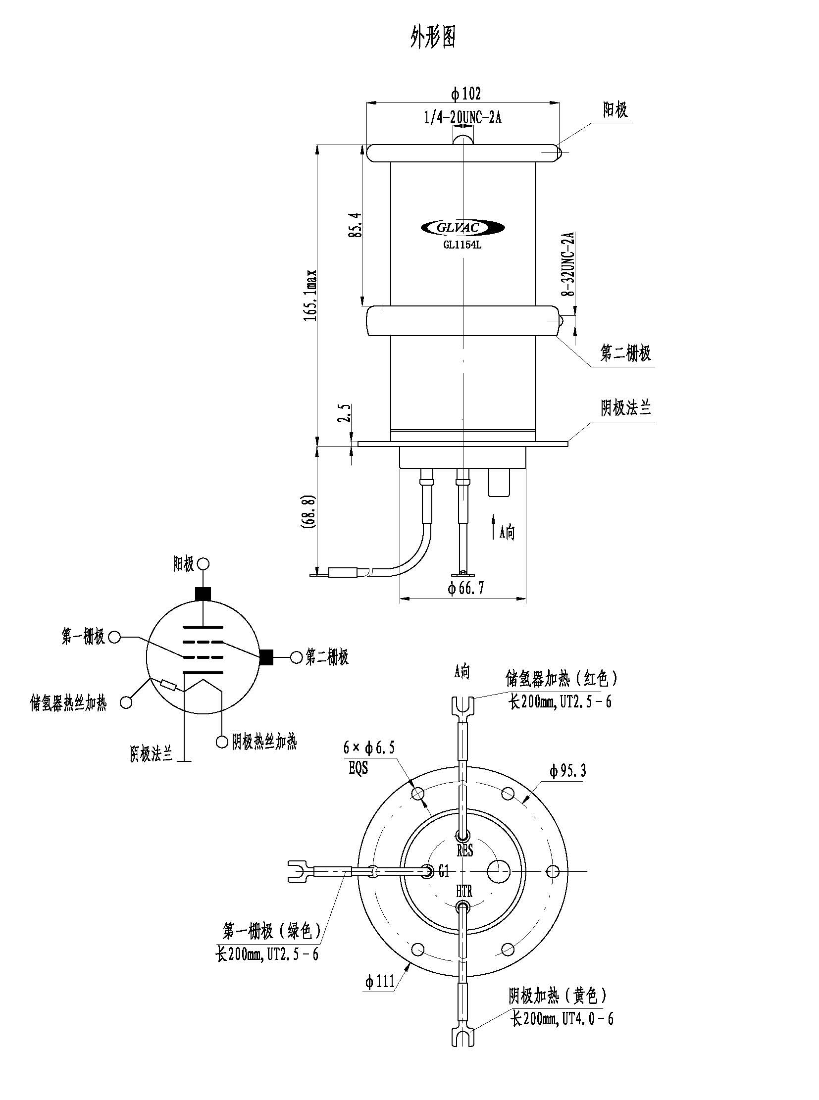
外形及尺寸: 见外形图
重量: 约1800g
安装位置: 任意位置 [8]
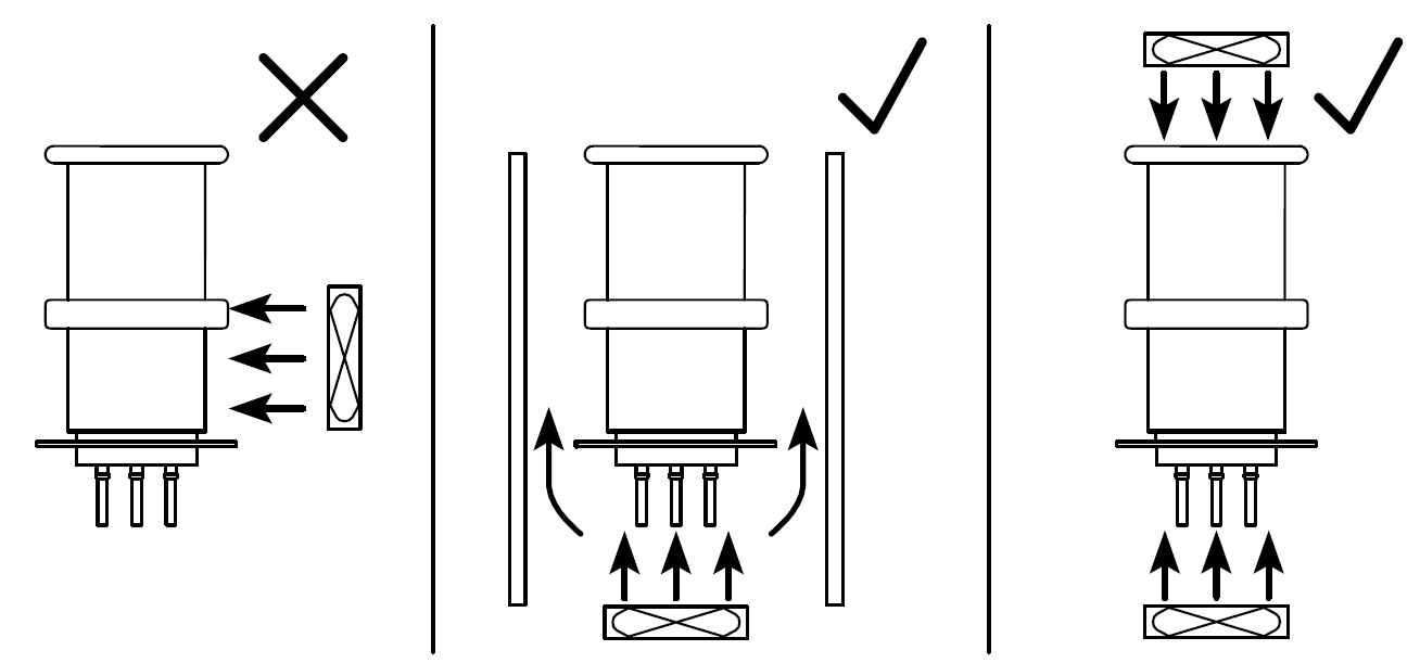
冷却方式: 强迫风冷,油或冷却液沉浸 [9]
典型特性
临界导通阳极电压: 1.0 kV max
阳极着火延迟时间: 150ns max [10]
阳极着火延迟时间漂移: 50ns max [11]
时间抖动: <5ns
工作环境
环境温度: -50℃~ +90℃
海拔高度: 3km
注解
[1] 此电压为谐振充电条件下的最大峰值电压。
[2] 在脉冲电流结束后的125μs内峰值反向阳极电压(包括尖峰)不能超过10kV,否则将造成闸流管电极损坏和管内打火,影响闸流管工作寿命。
[3] 脉冲上升时间内,脉冲幅度从26%至70%的变化量除以脉冲上升时间所得商。
[4] 在单次窄脉冲工作状态下,阳极电流上升速率可超过150kA/us ,最终数值很大程度上取决于外电路。
[5] 测量以阴极电位为基准,在调制器和快速电流上升速率应用场合推荐一栅使用脉冲点火。一栅脉冲顶部最后0.25μs必须与相应延迟二栅脉冲顶部最先0.25μs重叠。
[6] 为避免闸流管直接被一栅触发导通,一栅脉冲电流越高,二栅负偏压应越大。
[7] 储氢器两端应并联适当的电容器,避免尖峰电压的损毁,最大储氢器电压是获得最长闸流管使用寿命的首要条件之一,闸流管储氢器电压应稳定在±0.1V范围内。
[8] 闸流管安装时必须利用阴极安装法兰固定。
[9] 强迫风冷时,要求风扇流量不小于2.83m3/min ,准确风机安装参考下图后两种方式。
[10] 阳极着火延迟时间,空载二栅脉冲达到25%脉冲振幅的瞬间到阳极导通的瞬间的时间间隔。
[11] 阳极着火延迟时间漂移,在阳极达到满电压后连续工作,从10秒到10分钟的间隔内,其阳极着火延迟时间的变化。
闸流管电极接线示意图

R2,二栅串联电阻,12W玻璃釉瓷线绕电阻,其阻抗与触发电路相匹配;
C1,C2 ,储氢器保护电容,额定电压≥500V ;
C1 ,电容量= 1000 pF 低感电容 ; C2,电容量 = 1μF ;
以上元件R1,R2,C1和C2应尽可能的靠近闸流管安装。