尊龙凯时[AG]集团官网尊龙凯时

股票代码
688103
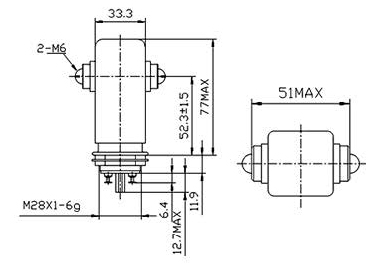
真空继电器 您现在的位置:首页 >> 产品介绍 >> 单刀双掷继电器GL20
单刀双掷继电器GL20
产品名称:单刀双掷继电器GL20
产品型号:GL20
非负载开关,承载大电流, 真空介质,接触电阻低, 可以直接替换KILOVAC的KC-20真空继电器,替换JENNINGS 的RJ8A真空继电器。
单刀双掷继电器GL20  下载
产品详细内容介绍

GL20产品介绍

注:所列参数均为典型产品规格,仅供选型参考.如有更新,恕不另行通知。需要更多技术支持,请与国力联系。

规格说明 

* 按照上面的型号命名订购继电器。表示为保持型继电器的“L”标记和线圈电压未出现在产品的型号标记中而表示在基座中的标记中。


线 圈 参 数


标称电压Vdc
24
26.5
最大吸合电压Vdc
16
16
释放电压Vdc
1-10
1-10
线圈电阻(Ω±10%)
120
120


产品参数表


继电器额定参数
单位
GL20
GL20
触点代号
A
B
触点形式
SPST-NO
SPST-NC
最大测试电压(漏电流不超15μA,直流或60Hz)
KV Peak
30
28
最大工作电压,触点对基座(漏电流不超过15μA)
直流或60Hz
KV Peak
28
25
2.5MHz
Kv Peak
22
22
16MHz
KV Peak
12
10
32MHz
KV Peak
10
9
最大连续负载电流
直流或60Hz
Amps
110
55
2.5MHz
Amps
60
30
16MHz
Amps
40
20
32MHz
Amps
30
15
线圈击穿电压(60Hz,交流有效值)
V
500
500
触点电容
开触点间
pF
2.5
2.5
触点对地
pF
2.5
2.5
最大接触电阻(1A,28Vdc)
ohms
0.005
0.01
最大工作时间
ms
18
18
最大释放时间
ms
10
20
机械寿命
Cycles
2百万
2百万
标称重量
g
330
330
振动频率(正弦,55~500 Hz, 峰值)
G's
10
10
冲击级别(11ms,半正弦波,峰值)
G's
30
30
工作环境温度范围
-55 ~ +125
-55 ~ +125

上一篇: 单刀单掷继电器GR5MTA 下一篇: 单刀双掷继电器GL15
走进国力 公司动态 产品展示 服务中心 尊龙凯时
扫描进入官方微信

扫描进入国力智选
公司简介
企业文化
企业历程
资质认证
公司荣誉
公司新闻
行业新闻
真空电容器
直流接触器
交流接触器
高压继电器
真空灭弧室
磁控管系列
服务承诺
销售咨询
联系方式
人才招聘
公司地址:中国江苏省昆山市西湖路28号
总机热线:+86-0512-36872111
公司邮箱:marketing@farequan.net(销售)
     audit@farequan.net(廉洁举报)
公司传真:+86-0512-36872122 / +86-0512-57777020
销售服务热线:400-9280-680
Copyright @ 2013-2024 尊龙凯时电子科技股份有限公司(farequan.net) All Rights Reserved. 苏ICP备57242775